ترانسفورماتور توزیع قطب تک فاز 25kVA
سوالات دارید؟ نمایندگان فروش Gnee اکنون برای چت زنده در دسترس هستند
ارسال ایمیل:sales@gneeelectric.com
تلفن:+8615824687445
ترانسفورماتور نصب شده قطب تک فاز یک ساختار استوانه ای کاملاً مهر و موم شده است و توسط سیستم تعلیق مجهز به قطب نصب شده است. این مزیت از اندازه کوچک ، ظرفیت اضافه بار قوی ، قابلیت اطمینان عملکرد مداوم بالا و نگهداری ساده دارد. این محصول به طور گسترده ای در انتقال و توزیع شبکه برق صنعتی و کشاورزی استفاده می شود.
ترانسفورماتورهای یک فاز 25 KVA GNEE صادرات موفقی به ایالات متحده ، کانادا ، هندوراس ، گویان ، ونزوئلا ، کامرون ، فیلیپین و سایر کشورها دارند.
مشخصات ترانسفورماتور قطب تک فاز 25 KVA
| مشخصات ترانسفورماتور قطب تک فاز 25 KVA | |||
| کارایی انرژی | ANSI C57.12 | CSA C802.1 | CSA C802.1 |
| استاندارد | IEEE C57.12.20 | CSA C2.1 | CSA C2.1 |
| امتیاز قدرت | 25 kva | 25 kva | 25 kva |
| ولتاژ HV | 19920V | 7.2 (12.47) kV/4.8 (8.32) kV | 16/27.6grdy v |
| ولتاژ LV | 120/240V | 120/240V | 347/600V |
| hv bil | 150 کیلو ولت | 95 کیلو ولت | 125 کیلو ولت |
| lv bil | 30 کیلو ولت | 30 کیلو ولت | 30 کیلو ولت |
| طول | 520 میلی متر | 620 میلی متر | 620 میلی متر |
| عرض | 620 میلی متر | 730 میلی متر | 730 میلی متر |
| قد | 1195 میلی متر | 1080 میلی متر | 1010 میلی متر |
| قطبش | تفریق کننده | افزودنی | افزودنی |
| سیم پیچ HV/LV | الومینیوم | الومینیوم | الومینیوم |
| بدون از دست دادن بار | 115w | 113w | 113w |
| از دست دادن بار | 260w | 268w | 265w |
| بسامد | 60 هرتز | 60 هرتز | 60 هرتز |
| گروه بردار | li0 | ii6 | ii6 |
| رنگ | خاکستری شماره 70 | خاکستری | خاکستری |
| تانک و لوازم جانبی | 55 کیلوگرم | 200 کیلوگرم | 210 کیلوگرم |
| وزن | 100L | 95 کیلوگرم | 80 کیلوگرم |
| وزن کل | 290 کیلوگرم | 360 کیلوگرم | 355 کیلوگرم |
| امپدانس | 2.00% | 1.90% | 1.90% |
برای نیازهای ویژه با ترانسفورماتور GNEE تماس بگیرید
تلفن: +86-15824687445
لوازم جانبی ترانسفورماتور 25 KVA قطب

| لوازم جانبی ترانسفورماتور 25 KVA قطب | |
| لگد | نوار مس |
| صفحه نام | دریچه پر از روغن |
| لگد | ترمینال H2 |
| تغییر شیر | سوئیچ ولتاژ دوگانه |
| زمین مخزن | بوش ولتاژ بالا |
| تسکین فشار | بوش ولتاژ کم |
| گیره روکش | شیر تخلیه روغن با نمونه |
ترانسفورماتور نصب شده قطب 25 kvaنقاشی

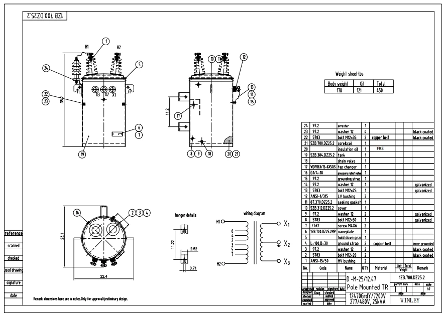
روغن 25KVA غوطه ور توزیع قطب تک فاز نصب شده ترانسفورماتور 12.4kV داده های اصلی
| مشخصات ترانسفورماتور 12.47kV 25KVA قطب نصب شده | |||
| کارایی انرژی | ANSI C57.12 | سیم پیچ HV/LV | مس |
| std | IEEE C57.12.20 | بدون از دست دادن بار | 104w |
| امتیاز قدرت | 25 kva | از دست دادن بار | 377w |
| ولتاژ HV | 12.47 کیلو ولت | بسامد | 60 هرتز |
| ولتاژ LV | 480Y/277V | گروه بردار | ii6 |
| hv bil | 95 کیلو ولت | رنگ | ANSI 60 خاکستری |
| lv bil | 30 کیلو ولت | تانک و لوازم جانبی | 590 کیلوگرم |
| طول | 780 میلی متر | وزن | 200 کیلوگرم |
| عرض | 1020 میلی متر | وزن کل | 875 کیلوگرم |
| قد | 1280 میلی متر | امپدانس | 3.00% |
| قطبش | افزودنی | سیم پیچ HV/LV | مس |
ترانسفورماتورهای توزیع قطب مجهز به روغن یک فاز 25KVA 13.8kV 34.5kV تا 240 ولت
انواع مختلف25 kva قطب نصب شده داده های اصلی ترانسفورماتور
| مرحله | یک فاز |
| ظرفیت | 25 kva |
| ولتاژ اصلی | 4160GRDY/2400 |
| ولتاژ ثانویه | 120/240V (L-N-L) |
| بسامد | 60 هرتز |
| افزایش دما | 65 درجه |
| رتبه عایق | عایق کلاس E - 120 درجه ، 248 درجه f |
| کلاس خنک کننده | onan ؛ خود محروم |
| استاندارد (های) کارآیی | DOE 2016 ، استانداردهای CSA ، استانداردهای ANSI/IEEE |
| امتیاز K-Factor (کاهش هارمونیک) | K-1 (استاندارد) |
| مواد سیم پیچ | مس |
| درجه حرارت محیط | 40 درجه |
| دامنه دمای عملیاتی محیط | -40 درجه تا درجه 1}} درجه (-50 درجه f تا +104 درجه f) |
| سطح صدا | 48 dba |
| ماده اصلی | از جنس فولاد گرا |
| ماده مخزن | فولاد روکش شده |
| ابعاد* | 21.60''-W x 24.5''-D x 40.10''-H |
| کارایی | 98.80% |
| بدون از دست دادن بار (در وات) | +/- 104W |
| از دست دادن کامل بار (در وات) | +/- 377W |
| از دست دادن بار کل (در وات) | +/- 481W |
| نوع ترانسفورماتور | ترانسفورماتور توزیع سربار ، نوع معمولی |
| پیکربندی ترانسفورماتور | قطب پر از مایع نصب شده است |
| مرحله | یک فاز |
| ظرفیت | 25 kva |
| ولتاژ اصلی | 13800V |
| ولتاژ ثانویه | 240/480V (L-N-L) |
| ثانویه | 30 کیلو ولت |
| بسامد | 60 هرتز |
| افزایش دما | 65 درجه |
| رتبه عایق | عایق کلاس E - 120 درجه ، 248 درجه f |
| کلاس خنک کننده | onan ؛ خود محروم |
| استاندارد (های) کارآیی | مطابق با استانداردهای DOE 2016 ، مطابق با استانداردهای CSA مطابق با استانداردهای ANSI/IEEE |
| مواد سیم پیچ | مس |
| درجه حرارت محیط | 40 درجه |
| دامنه دمای عملیاتی محیط | -40 درجه تا درجه 1}} درجه (-50 درجه f تا +104 درجه f) |
| سطح صدا | 48 dba |
| از دست دادن بار کل (در وات) | +/- 481W |
| نوع ترانسفورماتور | ترانسفورماتور توزیع سربار ، نوع معمولی |
| پیکربندی ترانسفورماتور | قطب پر از مایع نصب شده است |
| مرحله | یک فاز |
| ظرفیت | 25 kva |
| ولتاژ اصلی | 12470GRDY/7200 |
| ولتاژ ثانویه | 277/480V |
| بسامد | 60 هرتز |
| افزایش دما | 65 درجه |
| رتبه عایق | عایق کلاس E - 120 درجه ، 248 درجه f |
| کلاس خنک کننده | انان |
| استاندارد (های) کارآیی | مطابق با استانداردهای DOE 2016 ، مطابق با استانداردهای ANSI/IEEE |
| امتیاز K-Factor (کاهش هارمونیک) | K-1 (استاندارد) |
| مواد سیم پیچ | مس |
| درجه حرارت محیط | 40 درجه |
| سطح صدا | 48 dba |
| کارایی | 98.90% |
| بدون از دست دادن بار (در وات) | +/- 101W |
| از دست دادن کامل بار (در وات) | +/- 371W |
| نوع ترانسفورماتور | ترانسفورماتور توزیع سربار ، نوع معمولی |
| مرحله | یک فاز |
| ظرفیت | 25 kva |
| ولتاژ اصلی | 13800V |
| ولتاژ ثانویه | 277V |
| بسامد | 60 هرتز |
| افزایش دما | 65 درجه |
| رتبه عایق | عایق کلاس E - 120 درجه ، 248 درجه f |
| کلاس خنک کننده | onan ؛ خود محروم |
| تغییر شیر | 5-Tapp Tap Changer w/ دسته عملیاتی خارجی |
| امپدانس | 1.0-4.5 ٪ معمولی |
| استاندارد (های) کارآیی | مطابق با استانداردهای DOE 2016 ، مطابق با استانداردهای CSA مطابق با استانداردهای ANSI/IEEE |
| امتیاز K-Factor (کاهش هارمونیک) | K-1 (استاندارد) |
| مواد سیم پیچ | الومینیوم |
| درجه حرارت محیط | 40 درجه |
| دامنه دمای عملیاتی محیط | -40 درجه تا درجه 1}} درجه (-50 درجه f تا +104 درجه f) |
| سطح صدا | 48 dba |
| ابعاد* | 21.45''-W x 24.6''-D x 40.1''-H |
| وزن کل (پر از مایع)* | 467 پوند |
| نوع ترانسفورماتور | ترانسفورماتور توزیع سربار ، نوع معمولی |
| مرحله | یک فاز |
| ظرفیت | 25 kva |
| ولتاژ اصلی | 12470GRDY/7200 |
| ولتاژ ثانویه | 277V |
| بسامد | 60 هرتز |
| افزایش دما | 65 درجه |
| رتبه عایق | عایق کلاس E - 120 درجه ، 248 درجه f |
| کلاس خنک کننده | کنگره |
| امپدانس | 2.75 ٪ معمولی |
| نوع اتصال اصلی | لگ بوشینگ زنده |
| نوع اتصال ثانویه | لگ بوشینگ زنده |
| استاندارد (های) کارآیی | مطابق با استانداردهای DOE 2016 ، مطابق با استانداردهای ANSI/IEEE |
| امتیاز K-Factor (کاهش هارمونیک) | K-1 (استاندارد) |
| مواد سیم پیچ | مس |
| درجه حرارت محیط | 40 درجه |
| سطح صدا | 48 dba |
| ابعاد* | 21.55''-W x 24.5''-D x 40.05''-H |
| کارایی | 98.90% |
| نوع ترانسفورماتور | ترانسفورماتور توزیع سربار ، نوع معمولی |
| پیکربندی ترانسفورماتور | قطب پر از مایع نصب شده است |
| نوع قطبیت ترانسفورماتور | تفریق کننده |
| مرحله | یک فاز |
| ظرفیت | 25 kva |
| ولتاژ اصلی | 13200GRDY/7620 |
| کلاس ولتاژ اولیه | کلاس 15 کیلو ولت |
| پایه اصلی | 95 کیلو ولت |
| ولتاژ ثانویه | 120/240V (L-N-L) |
| ثانویه | 30 کیلو ولت |
| بسامد | 60 هرتز |
| افزایش دما | 65 درجه |
| رتبه عایق | عایق کلاس E - 120 درجه ، 248 درجه f |
| کلاس خنک کننده | onan ؛ خود محروم |
| تغییر شیر | 5-Tapp Tap Changer w/ دسته عملیاتی خارجی |
| روی Qty ضربه بزنید | (2) fcan در بالا ، (2) fcbn در زیر |
| روی ٪ ضربه بزنید | 2.5% |
| روی مکان سوئیچ تغییر دهنده ضربه بزنید | وسط بدنه تانک ، سمت چپ مقررات نصب |
| امپدانس | 2.5 ٪ معمولی |
| وزن سیال* | 99.21 پوند |
| مواد سیم پیچ | مس |
| درجه حرارت محیط | 40 درجه |
| سطح صدا | 48 dba |
| ابعاد* | 21.65''-W x 24.8''-D x 40.16''-H |
| وزن کل (پر از مایع)* | 470 پوند |
| نوع ترانسفورماتور | ترانسفورماتور توزیع سربار ، نوع معمولی |
| مرحله | یک فاز |
| ظرفیت | 25 kva |
| ولتاژ اصلی | 13800GRDY/7968 |
| ولتاژ ثانویه | 120/240V (L-N-L) |
| بسامد | 60 هرتز |
| افزایش دما | 65 درجه |
| رتبه عایق | عایق کلاس E - 120 درجه ، 248 درجه f |
| کلاس خنک کننده | Knan ؛ خود محروم |
| امپدانس | 3.5 ٪ معمولی |
| مواد سیم پیچ | مس |
| درجه حرارت محیط | 40 درجه |
| سطح صدا | 48 dba |
| ابعاد* | 21.65''-W x 24.8''-D x 40.16''-H |
| با ANSI / IEEE #C57.12.20 مطابقت دارد | |
| کارایی | 99.10% |
| بر اساس ترانسفورماتور که در 50 ٪ از پایه نام kva کار می کند. | |
| تلفات بار بر اساس دمای مرجع 85 درجه. | |
| بدون از دست دادن بار (در وات) | +/- 94W |
| از دست دادن کامل بار (در وات) | +/- 357W |
ترانسفورماتورهای توزیع توزیع قطبی با روغن تک فاز 25kVA نمایش محصول








قطب پر از مایع تک فاز 25kVA مورد ترانسفورماتور توزیع سربار نصب شده
1.gnee 25kva 19.92kv ترانسفورماتور تک فاز برای ونزوئلا
در سال 2024 ، یک مشتری در ونزوئل 60 واحد از ترانسفورماتور GNEE 25 KVA ترانسفورماتور نصب شده را خریداری کرد. این ترانسفورماتور استثنایی دارای ظرفیت 25 کیلو ولت قوی است ، با ولتاژ اولیه 19.92kV و ولتاژ ثانویه 240 (120) ولت ، که مطابق با استاندارد IEEE C57.12.20 ساخته شده است ، و با ANSI C57.12 ارزش راندمان استاندارد است.
ترانسفورماتور قطب یک فاز 25 KVA از مواد سیم پیچ آلومینیومی با کیفیت بالا برای هر دو بخش ولتاژ بالا و پایین خود استفاده می کند و از عملکرد و قابلیت اطمینان برتر اطمینان می دهد. با ارزش امپدانس 2 ٪ ، دارای یک گروه بردار از II0 و قطبیت است که کمرنگ است و باعث افزایش کارایی آن می شود.
ولتاژ بالا ترانسفورماتور با پنج سطح مشخص تنظیم ولتاژ ، تطبیق پذیری فوق العاده ای را فراهم می کند ، در حالی که محدوده تنظیم ولتاژ 2.5 × 2 ± 2 ± 2 ± 2 × 2 ٪ ثبات را حتی در طول نوسانات تضمین می کند.
2.gnee 25kva 7.2 (12.47) kV/4.8 (8.32) ترانسفورماتور تک فاز برای کانادا
GNEE یک سفارش از یک ابزار کانادایی برای 50 KVA و 100 ترانسفورماتور تک فاز KVA را تضمین کرد و تأکید بر اعتماد مشتری در پیشنهادات حق بیمه ما.
ترانسفورماتور نصب شده با قطب 25 KVA دارای یک طراحی ولتاژ دوتایی است که به طرز ماهرانه ای در نقاشی همراه به تصویر کشیده شده است و دارای یک سوئیچ ولتاژ دوتایی کاربر پسند است. این امکان انتخاب یکپارچه ولتاژ بالا از 7.2 کیلو ولت یا 4.8 کیلو ولت را فراهم می کند ، و دقیقاً به تجهیزات مختلف بار نیاز دارد و تطبیق پذیری بی نظیری را ارائه می دهد.
این ترانسفورماتور دارای یک سیستم خنک کننده کارآمد ONAN است که توسط روغن معدنی بدون PCB 45#تکمیل شده و از مسئولیت ایمنی و محیط زیست اطمینان حاصل می کند.
ترانسفورماتور با استفاده از گروه وکتور II6 قابل اعتماد و قطبیت افزودنی ، ترانسفورماتور به عنوان اوج عملکرد و قابلیت اطمینان است. لوازم جانبی اصلی عبارتند از:
لوازم:
- 1 بوش ولتاژ بالا
- 3 بوش ولتاژ کم
- 1 سوئیچ ولتاژ دوگانه
- 1 دستگاه تسکین فشار
- ترمینال 1 H₂
- 2 نوار مس
- 3 زمین مخزن
- 2 لبه پشتیبانی
- 2 لیوان آسانسور
- 6 گیره پوشش
3.gnee 25kva 17.32kV ترانسفورماتور تک فاز برای کامرون
ترانسفورماتور GNEE 15 واحد از 25 ترانسفورماتور تک فاز KVA را به مشتری کامرون تحویل داده است.
این واحدها ویژگی:
- ولتاژ اولیه:17.32 کیلو ولت
- ولتاژ ثانویه:230V
- مواد سیم پیچ:مس
- فرکانس عملیاتی:50 هرتز
- گروه وکتور و قطبیت:II0 با قطبیت افزودنی
- دامنه تنظیم ولتاژ:17.32kV ± 2 × 2.5 ٪
کار با فرکانس 50 هرتز و داشتن یک گروه بردار از II0 با قطبیت افزودنی ، ادغام یکپارچه را در سیستم های قدرت متنوع تضمین می کند.
ترانسفورماتور با محدوده تنظیم 17.32 کیلو ولت ± 2.5 × 2.5 ٪ ، خروجی ولتاژ دقیق و پایدار را حتی در شرایط بار مختلف امکان پذیر می کند.
ترانسفورماتورها برای پاسخگویی به نیازهای دقیق مشتری ، از قابلیت اطمینان عملیاتی و سازگاری سیستم در شرایط بار متغیر اطمینان می دهند.
4.gnee 25kva 13.8kv ترانسفورماتور تک فاز برای فیلیپین
این ترانسفورماتور قطبی یک فاز 13.8 کیلو ولت برای مشتریان فیلیپین طراحی شده است.
|
مشخصات ترانسفورماتور 13.8kV 25kva قطب نصب شده |
|||
|
امتیاز قدرت |
25kva |
بدون از دست دادن بار |
98w |
|
ولتاژ HV |
13800V |
از دست دادن بار |
295w |
|
ولتاژ LV |
120/240V |
ضرر کل |
393w |
|
hv bil |
95 کیلو ولت |
بسامد |
60 هرتز |
|
lv bil |
30 کیلو ولت |
گروه بردار |
ii6 |
|
طول |
520 میلی متر |
رنگ |
خاکستری |
|
عرض |
620 میلی متر |
تانک و لوازم جانبی |
125 کیلوگرم |
|
قد |
990 میلی متر |
وزن |
50 کیلوگرم |
|
قطبش |
افزودنی |
وزن کل |
225 کیلوگرم |
|
سیم پیچ HV/LV |
مس |
امپدانس |
1.98% |
5.25 KVA 0.4 کیلو ولت قطب ترانسفورماتور توزیع شده برای جورجیا
ترانسفورماتور توزیع 25 KVA در سال 2022 برای یک پروژه ملی به جورجیا تحویل داده شد. ترانسفورماتورها در بزرگراه استفاده می شوند.
قدرت امتیاز ترانسفورماتور 25 کیلو ولت با خنک کننده ONAN ، ولتاژ اولیه 0.4 کیلو ولت ، ولتاژ ثانویه 0.69 کیلو ولت است ، فاز سه است ، آنها یک گروه بردار از Dyn11 تشکیل دادند.
ترانسفورماتور قدرت 25 KVA ما با فناوری پیشرفته طراحی شده و مواد و مؤلفه های با کیفیت بالا را اتخاذ می کند که منجر به کیفیت قابل اعتماد و زمان عملکرد طولانی می شود.
ما اطمینان حاصل می کنیم که هر یک از واحدهای تحویل شده ما تحت آزمایش دقیق پذیرش کامل قرار گرفته است. ما خدمات یک بسته را از مشاوره ، نقل قول ، تولید ، نصب ، راه اندازی ، آموزش به خدمات پس از فروش ارائه می دهیم ، محصولات ما اکنون در بیش از 50 ایالت جهان فعالیت می کنند. هدف ما این است که مطمئن ترین تأمین کننده شما و همچنین بهترین شریک زندگی خود در تجارت باشید!
25 مشخصات ترانسفورماتور KVA نوع و برگه داده
|
تحویل داده شده به |
گرجستان |
|
سال |
2022 |
|
مدل |
SM-25KVA-0.4/0.69kV |
|
نوع |
ترانسفورماتور توزیع قطبی |
|
استاندارد |
IEC60076 |
|
قدرت دارای امتیاز |
25 kva |
|
بسامد |
50 هرتز |
|
مرحله |
سه |
|
نوع خنک کننده |
انان |
|
ولتاژ اصلی |
0.4 کیلو ولت |
|
ولتاژ ثانویه |
0.69 کیلو ولت |
|
مواد سیم پیچ |
مس |
|
گروه بردار |
dyn11 |
|
امپدانس |
4% |
|
تغییر شیر |
N/A |
|
محدوده بهره برداری |
N/A |
|
بدون از دست دادن بار |
100W |
|
از دست دادن بار |
720W |
|
لوازم |
پیکربندی استاندارد |
|
اظهارات |
N/A |

مخزن روغن ترانسفورماتور 25kVA-0.4/0.69kV

مخزن روغن:
1. مخزن روغن یک محفظه ترانسفورماتور حاوی هسته آهن ، سیم پیچ و ترانسفورماتور است.
2. ساختار مخزن راه راه کاملاً آب بندی شده است ، و راه راه با افزایش روغن گسترش یافته و فشرده می شود ، ترانسفورماتور را از جو جدا می کند و از وخیم تر شدن روغن و رطوبت جلوگیری می کند. پس از برداشتن روغن ، از بین بردن زنگ زدگی و درمان فسفات ، سطح مخزن روغن راه راه با رنگ ضد باران پوشیده می شود. رطوبت و اسپری نمکی.
داده های tachnical برای ترانسفورماتور توزیع قطب تک فاز |
||||||||
| قدرت (KVA) | ولتاژ بالا (V) | ولتاژ کم (V) | ضرر (W) | بعد (میلی متر) | وزن (کیلوگرم) | |||
| از دست دادن بدون بار | از دست دادن در اثر بار | W | D | H | ||||
| 5kva | 34500/ 19920 13800/ 7957 13200/ 7620 12470/ 7200 یا دیگران | 120-240 240-480 347 600 | 19 | 75 | 465 | 485 | 855 | 92 |
| 10kva | 36 | 120 | 500 | 525 | 885 | 150 | ||
| 15kva | 50 | 195 | 520 | 565 | 905 | 210 | ||
| 25kva | 80 | 290 | 560 | 590 | 935 | 258 | ||
| 37.5kva | 105 | 360 | 610 | 625 | 935 | 340 | ||
| 50kva | 135 | 500 | 635 | 675 | 1035 | 395 | ||
| 75kva | 190 | 650 | 745 | 840 | 1035 | 480 | ||
| 100kva | 210 | 850 | 770 | 965 | 1135 | 530 | ||
| 167kva | 350 | 1410 | 795 | 890 | 1335 | 680 | ||
ترانسفورماتور توزیع قطبیویژگی استاندارد
*طراحی مقرون به صرفه
*راندمان بالا و سطح سر و صدای کم
*قابلیت ولتاژ دوگانه
*پوشش یا استاندارد IEEE C57 را ملاقات می کند یا فراتر می رود
*آب بندی عالی برای محافظت در برابر عوامل محیطی
*بوش های ولتاژ کم پلیمر
*بوش های ولتاژ بالا از نوع پرسلن
*پوشش مناسب یا بوش های ولتاژ سایدر
*پایانه های نوع اسپید یا گیره
*سازگار با روغن معدنی و روغن گیاهی تخریب پذیر به عنوان روغن عایق
*تأمین براکت Surge Arrester ، در صورت لزوم براکت ها در دسترس هستند
ترانسفورماتور نصب شده قطب تک فازمزایا
فناوری سیم پیچ سیم ولتاژ بالا برای بهبود عملکرد مقاومت در برابر رعد و برق
فناوری سیم پیچ ولتاژ ولتاژ ، عایق مواد عایق درجه یک با کیفیت بالا AE
-نشت مغناطیسی ، مقاومت مکانیکی بالا و مقاومت شدید اتصال کوتاه
-مواد هسته آهن ورق های فلزی سیلیکون با رنگ سرد با کیفیت بالا با عایق اکسید معدنی (از گروه باستیل و ووهان آهن و فولاد در چین) است.
با کنترل فرآیند برش و انباشت برگه های فولادی سیلیکون ، سطح از دست دادن ، جریان بدون بار و سر و صدا به حداقل می رسد
بسته بندی و تحویل


تگ های محبوب: ترانسفورماتور توزیع قطب تک فاز 25KVA ، چین 25KVA قطب تک فاز تولید کننده توزیع کننده توزیع کننده ، تأمین کنندگان ، کارخانه, ترانسفورماتور فعلی قطب خشک 15 کیلو ولت, Elektrisiteitsoordrag met behulp van paalgemonteerde transformators, ترانسفورماتور تک فاز نصب شده قطب, ترانسفورماتور نصب شده قطب سه فاز, Transformator vir buitepaal-gemonteerde elektrisiteitsoordrag, ترانسفورماتورهای کوه قطب استفاده شده
You Might Also Like
ارسال درخواست

















